股票代碼  003021
12MM金屬減速齒輪箱
12MM金屬減速齒輪箱
12MM金屬減速齒輪箱

12MM金屬減速齒輪箱

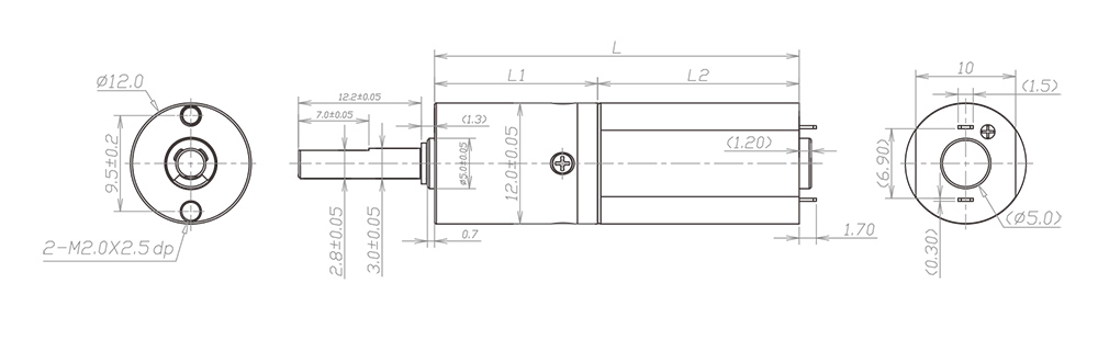
外徑:12mm

材質:五金

旋轉方向:cw&ccw

齒輪箱回程差:≤3°

軸承:含油軸承;滾動軸承

軸向竄動:≤0.3mm(含油軸承);≤0.2mm(滾動軸承)

輸出軸徑向負載:≤10N(含油軸承);≤20N(滾動軸承)

工作溫度:-20……+85℃

產品參數
齒輪箱參數
齒輪級數 1 2 3 4
減速比 4/6 16/24/36 64/96/144/216 256/384/576/864/1296
最大容許扭力(gf.cm) 2000 2000 2000 2000
瞬間容許力矩(gf.cm) 6000 6000 6000 6000
齒輪箱效率 87 74 63 56
長度 12.4 16.2 20 23.8
馬達規格參數
馬達(可選擇) 直流有刷電機、直流無刷電機、步進電機
電壓(可選擇) 3-24V
輸入速度 ≤30000rpm
電流 250mA max
12MM金屬減速齒輪箱
齒輪級數:1
  • 驅動比
  • 4/6
  • 最大容許扭力(gf.cm)
  • 2000
  • 瞬間容許力矩(gf.cm):
  • 6000
  • 齒輪箱效率
  • 87
  • 長度
  • 12.4
齒輪級數:2
  • 驅動比
  • 16/24/36
  • 最大容許扭力(gf.cm)
  • 2000
  • 瞬間容許力矩(gf.cm):
  • 6000
  • 齒輪箱效率
  • 74
  • 長度
  • 16.2
齒輪級數:3
  • 驅動比
  • 64/96/144/216
  • 最大容許扭力(gf.cm)
  • 2000
  • 瞬間容許力矩(gf.cm):
  • 6000
  • 齒輪箱效率
  • 63
  • 長度
  • 20
齒輪級數:4
  • 驅動比
  • 256/384/576/864/1296
  • 最大容許扭力(gf.cm)
  • 2000
  • 瞬間容許力矩(gf.cm):
  • 6000
  • 齒輪箱效率
  • 56
  • 長度
  • 23.8
馬達規格參數
馬達(可選擇)

直流有刷電機
直流無刷電機
步進電機

電壓(可選擇) 3-24V
輸入速度 ≤30000rpm
電流 250mA max
12MM金屬減速齒輪箱
技術插圖
12MM金屬減速齒輪箱
推薦產品
型號
ZWMD012012-4
ZWMD012012-6
ZWMD012012-16
ZWMD012012-24
ZWMD012012-36
ZWMD012012-64
ZWMD012012-96
ZWMD012012-144
ZWMD012012-216
ZWMD012012-256
ZWMD012012-384
ZWMD012012-576
ZWMD012012-864
ZWMD012012-1296
額定轉速(rpm)
1875
1250
469
313
208
117
78
52
35
29
20
13
9
6
最高轉速(rpm)
7500
5000
1875
1250
833
469
313
208
139
117
78
52
35
23
額定容許力矩(gf.cm)
2000
2000
2000
2000
2000
2000
2000
2000
2000
2000
2000
2000
2000
2000
瞬間容許力矩(gf.cm)
6000
6000
6000
6000
6000
6000
6000
6000
6000
6000
6000
6000
6000
6000
減速比
4
6
16
24
36
64
96
144
216
256
384
576
864
1296
減速箱長L1(mm)
12.4
16.2
20
23.8
總長L(mm)
32.4
36.2
40
43.8
ZWMD012012-4
  • 額定轉速(rpm):
  • 1875
  • 最高轉速(rpm):
  • 7500
  • 額定容許力矩(gf.cm):
  • 2000
  • 瞬間容許力矩(gf.cm):
  • 6000
  • 減速比:
  • 4
  • 減速箱長L1(mm):
  • 12.4
  • 總長L(mm):
  • 32.4
ZWMD012012-6
  • 額定轉速(rpm):
  • 1250
  • 最高轉速(rpm):
  • 5000
  • 額定容許力矩(gf.cm):
  • 2000
  • 瞬間容許力矩(gf.cm):
  • 6000
  • 減速比:
  • 6
  • 減速箱長L1(mm):
  • 12.4
  • 總長L(mm):
  • 32.4
ZWMD012012-16
  • 額定轉速(rpm):
  • 469
  • 最高轉速(rpm):
  • 1875
  • 額定容許力矩(gf.cm):
  • 2000
  • 瞬間容許力矩(gf.cm):
  • 6000
  • 減速比:
  • 16
  • 減速箱長L1(mm):
  • 16.2
  • 總長L(mm):
  • 36.2
ZWMD012012-24
  • 額定轉速(rpm):
  • 313
  • 最高轉速(rpm):
  • 1250
  • 額定容許力矩(gf.cm):
  • 2000
  • 瞬間容許力矩(gf.cm):
  • 6000
  • 減速比:
  • 24
  • 減速箱長L1(mm):
  • 16.2
  • 總長L(mm):
  • 36.2
ZWMD012012-36
  • 額定轉速(rpm):
  • 208
  • 最高轉速(rpm):
  • 833
  • 額定容許力矩(gf.cm):
  • 2000
  • 瞬間容許力矩(gf.cm):
  • 6000
  • 減速比:
  • 36
  • 減速箱長L1(mm):
  • 16.2
  • 總長L(mm):
  • 36.2
ZWMD012012-64
  • 額定轉速(rpm):
  • 117
  • 最高轉速(rpm):
  • 469
  • 額定容許力矩(gf.cm):
  • 2000
  • 瞬間容許力矩(gf.cm):
  • 6000
  • 減速比:
  • 64
  • 減速箱長L1(mm):
  • 20
  • 總長L(mm):
  • 40
ZWMD012012-96
  • 額定轉速(rpm):
  • 78
  • 最高轉速(rpm):
  • 313
  • 額定容許力矩(gf.cm):
  • 2000
  • 瞬間容許力矩(gf.cm):
  • 6000
  • 減速比:
  • 96
  • 減速箱長L1(mm):
  • 20
  • 總長L(mm):
  • 40
ZWMD012012-144
  • 額定轉速(rpm):
  • 52
  • 最高轉速(rpm):
  • 208
  • 額定容許力矩(gf.cm):
  • 2000
  • 瞬間容許力矩(gf.cm):
  • 6000
  • 減速比:
  • 144
  • 減速箱長L1(mm):
  • 20
  • 總長L(mm):
  • 40
ZWMD012012-216
  • 額定轉速(rpm):
  • 35
  • 最高轉速(rpm):
  • 139
  • 額定容許力矩(gf.cm):
  • 2000
  • 瞬間容許力矩(gf.cm):
  • 6000
  • 減速比:
  • 216
  • 減速箱長L1(mm):
  • 20
  • 總長L(mm):
  • 40
ZWMD012012-256
  • 額定轉速(rpm):
  • 29
  • 最高轉速(rpm):
  • 117
  • 額定容許力矩(gf.cm):
  • 2000
  • 瞬間容許力矩(gf.cm):
  • 6000
  • 減速比:
  • 256
  • 減速箱長L1(mm):
  • 23.8
  • 總長L(mm):
  • 43.8
ZWMD012012-384
  • 額定轉速(rpm):
  • 20
  • 最高轉速(rpm):
  • 78
  • 額定容許力矩(gf.cm):
  • 2000
  • 瞬間容許力矩(gf.cm):
  • 6000
  • 減速比:
  • 384
  • 減速箱長L1(mm):
  • 23.8
  • 總長L(mm):
  • 43.8
ZWMD012012-576
  • 額定轉速(rpm):
  • 13
  • 最高轉速(rpm):
  • 52
  • 額定容許力矩(gf.cm):
  • 2000
  • 瞬間容許力矩(gf.cm):
  • 6000
  • 減速比:
  • 576
  • 減速箱長L1(mm):
  • 23.8
  • 總長L(mm):
  • 43.8
ZWMD012012-864
  • 額定轉速(rpm):
  • 9
  • 最高轉速(rpm):
  • 35
  • 額定容許力矩(gf.cm):
  • 2000
  • 瞬間容許力矩(gf.cm):
  • 6000
  • 減速比:
  • 864
  • 減速箱長L1(mm):
  • 23.8
  • 總長L(mm):
  • 43.8
ZWMD012012-1296
  • 額定轉速(rpm):
  • 6
  • 最高轉速(rpm):
  • 23
  • 額定容許力矩(gf.cm):
  • 2000
  • 瞬間容許力矩(gf.cm):
  • 6000
  • 減速比:
  • 1296
  • 減速箱長L1(mm):
  • 23.8
  • 總長L(mm):
  • 43.8

*以上規格數據僅供參考,如有修改恕不另行通知。
* The above specifications are subject to change without prior notice.
12MM金屬減速齒輪箱參數
12MM金屬減速齒輪箱應用
  • 手機固定架應用
    手機固定架應用
觀看12MM金屬減速齒輪箱應用視頻
在線留言 MESSAGES



驗證碼:

66  +    =  68

兆威 — 微型驅動系統制造商

專注于研發、生產精密驅動系統,為客戶提供智能驅動方案設計,零件的生產與組裝的定制化服務

立即咨詢  >

粵ICP備11019966號     Copyright ? 2023  深圳市兆威機電股份有限公司  

粵ICP備11019966號
Copyright  2023  深圳市兆威機電股份有限公司

400-066-2287
服務熱線




服務熱線:400-066-2287
丝袜视频