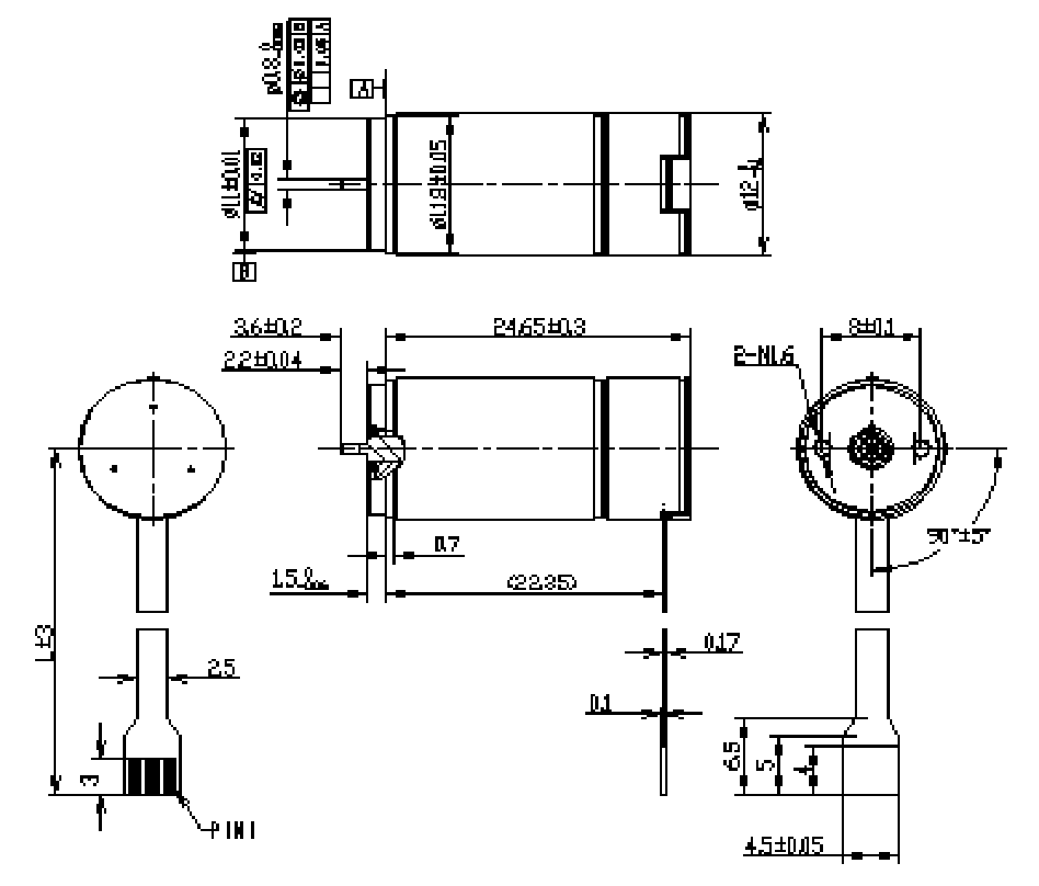
Φ12mm無刷空心杯電機(MC1223)
產品型號:MC1223
直徑(mm):12
長度(mm):23
額定電壓(V):12
額定轉速(rpm):25400
堵轉轉矩(mNm):8.6
堵轉電流(A) :2.8
轉矩常數(mNm/A):3.3
速度常數(rpm/V) :3857
輸出軸直徑(mm):0.8
電機參數
| 電機數據(額定值) | |||||
| 額定電壓(V) | 12 | 12 | |||
| 空載轉速(rpm) | 33000 | 19000 | |||
| 空載電流(A) | 130 | 80 | |||
| 額定轉速 (rpm) | 25400 | 15300 | |||
| 額定轉矩(mNm) | 1.8 | 0.98 | |||
| 額定電流(A) | 0.67 | 0.26 | |||
| 堵轉轉矩(mNm) | 8.6 | 5.3 | |||
| 堵轉電流(A) | 2.8 | 1.1 | |||
| 最大效率(%) | 61.2 | 52.1 | |||
| 電機常數(額定值) | |||||
| 相間電阻(Ω) | 4.2 | 11.75 | |||
| 相間電感(mH) | 0.071 | 0.198 | |||
| 轉矩常數(mNm/A) | 3.3 | 5.6 | |||
| 速度常數(rpm/V) | 2857 | 1695 | |||
| 轉速/轉矩斜度( rpm/mNm) | 3819 | 3557 | |||
| 機械時間常數(ms) | 4.56 | 4.28 | |||
| 轉子慣量(gcm2) | 0.126 | 0.126 | |||
| 熱參數 | |||||
| 機殼-環境熱阻(K/W) | / | / | |||
| 繞組-機殼熱阻(K/W) | / | / | |||
| 繞組熱時間常數(s) | / | / | |||
| 電機熱時間常數(s) | / | / | |||
| 環境溫度(℃) | ?? -20…+100 | ?? -20…+100 | |||
| 最高繞組溫度(℃) | 125 | 125 | |||
| 機械參數(滾珠軸承) | |||||
| 最大允許轉速(rpm) | 40 000 | 40 000 | |||
| 最大軸向間隙(mm) | < 0.15 N? 0 | < 0.15 N? 0 | |||
| ?> 0.15 N? 0.06(max) | ?> 0.15 N? 0.06(max) | ||||
| 徑向間隙 | ?preloaded | ?preloaded | |||
| 最大軸向動態載荷(N) | 2 | 2 | |||
| 最大允許安靜態裝力(N) | 10 | 10 | |||
| 最大徑向載荷,距離法蘭處2mm處(N) | 5 | 5 | |||
| 端子型號 | |||||||
| Molex 52745-1297 | SL-FPC0.5-8P-H1.0 | ||||||
設計圖紙
















查看詳情

Φ12mm無刷空心杯電機(MC1223)規格書
