兆威直流減速電機(齒輪箱)
兆威生產的微型直流減速電機齒輪箱具有體積小、重量輕、力矩大、低噪音、不易損壞的特點。
兆威研發生產微型直流減速電機齒輪箱:
1.擁有塑料、五金、金屬MIM的齒輪設計生產能力;
2.齒輪模數低可以做到M=0.05模數,噪音小;
3.外觀及結構設計上擁有自主產權,提升了力矩大,體積小;
4.可加裝編碼器,可以配換直流有刷電機,空心杯電機、無刷電機,步進電機等。
? 兆威微型直流減速電機用齒輪箱開發直徑及應用領域:
兆威微型直流減速電機行星齒輪箱,用于智能廚衛、智能驅動、汽車智能驅動、智能化家居驅動、工業智能驅動、電子產品智能驅動等多個行業,可根據客戶的不同需求定制。
微型直流減速電機各參數規格,可按需求定制。
微型直流減速電機齒行星輪箱設計:

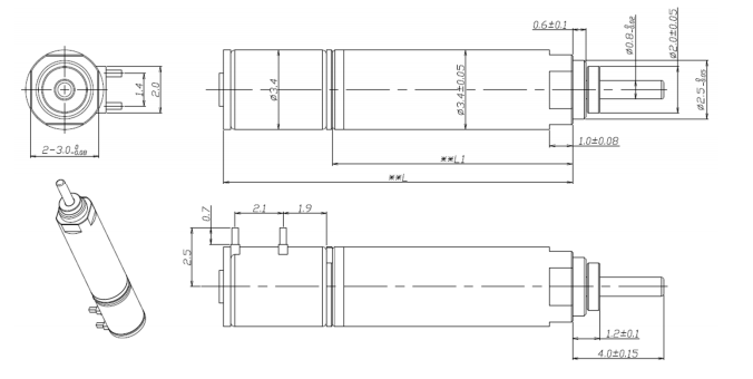
微型直流減速電機齒輪箱外形尺寸:

以上規格數據僅供參考,可按需求定制。
兆威微型直流減速電機,金屬微型直流減速電機行星齒輪箱設計研發特點:
兆威機電專注于直流減速電機齒輪箱設計研發生產,先后與橡塑模具工程研究中心共建“微細精密塑成型與模具技術基地”;與華中科技大學成立聯合實驗室。與中科院開發了智能機器人項目。
兆威生產直流減速電機齒輪箱,可以按需定制,歡迎廣大客戶來需定制,我們的特點是:
1.有兆威自主知識產權的齒輪箱綜合設計平臺。
兆威設計平臺的特性是具有方案設計、結構設計、齒形設計、模擬分析等特點可以提提齒形和模具加工精度。
2. 有精密微小的制作能力。

3.產品通過認證符合歐洲環保要求。
通過ISO9001:2015(CN11/30731)、ISO14001(U006616E0153R3M)、 TS16949(CN11/30730.01) 認證。






















