行星齒輪減速機選型計算
行星減速機選型計算應確定以下技術參數:每天工作小時數;每小時起停次數;每小時運轉周期;可靠度要求;輸出轉速;載荷類型;環境溫度;現場散熱條件;減速機通常是根據恒轉矩、起停不頻繁及常溫的情況設計的。
行星減速機扭矩計算公式:
速比=電機輸出轉數÷減速機輸出轉數 (“速比”也稱”驅動比”)。
1.知道電機功率和速比及使用系數,求減速機扭矩如下公式:
減速機扭矩=9550×電機功率÷電機功率輸入轉數×速比×使用系數
2.知道扭矩和減速機輸出轉數及使用系數,求減速機所需配電機功率如下公式:
電機功率=扭矩÷9550×電機功率輸入轉數÷速比÷使用系數
選用減速機應考慮其結構類型、安裝形式、承載能力、輸出轉速、工作條件等因素。行星減速機主要是由行星輪、太陽輪和內齒圈構成,原理是行星輪圍繞太陽輪轉動從而達到減小轉速增大扭矩的目的。今天我們來了解一下兆威行星減速電機選型有哪些。行星齒輪輪系驅動比的計算:
(一)行星輪系的分類
若輪系中,至少有一個齒輪的幾何軸線不固定,而繞其它齒輪的固定幾何軸線回轉,則稱為行星輪系。

行星輪系的組成:行星輪、行星架(系桿)、太陽輪
(二)行星輪系驅動比的計算
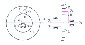
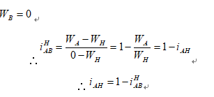
以差動輪系為例(反轉法)
轉化機構(定軸輪系) T的機構

差動輪系:2個運動
行星輪系:


對于行量輪系:

1、分析輪系的組成
1、2、2’、3——定軸輪系;
1’、4、3’、H——周轉輪系
2、分別寫出各輪系的驅動比

了解了行星齒輪減速機計算,我們來看看行星齒輪減速機的選型。行星齒輪減速機選型因素:
1)應選擇與電機安裝法蘭相匹配的行星齒輪減速機
2)確定減速比:具體的減速比是設備廠家根據自己的設備要求來確定的。級數越高,價格越貴,間隙越大。
3)確定減速機的輸入和輸出形式:輸入方面,有孔輸入和軸輸入;輸出方面,有軸輸出、孔輸出、法蘭盤輸出等。
ZWBPD系列:
ZWBPD006006、ZWBPD010010、ZWBPD016016、ZWBPD020020、 ZWBPD022022、ZWBPD024024、ZWBPD028028
ZWPD系列:
ZWPD008008、ZWPD012012、ZWPD032032
ZWBMD系列:
ZWBMD003003、ZWBMD004004、ZWBMD006006、ZWBMD010010、ZWBMD020020、ZWBMD022022、ZWBMD024024、ZWBMD028028、ZWBMD032032
ZWMD系列:
ZWMD008008、ZWMD012012、ZWMD016016、ZWMD038038
金屬行星減速電機
塑膠行星減速電機
非標定制行星減速電機




















